网站首页
About us
About us
→ Company profile
→ Development path
→ Honor
→ R & D capabilities
Product
Product
→ High pressure gear pump
→ JX series winch gearbox
→ JH series swing gearbox
→ JQ series winch gearbox
→ JQTK series winch gearbox
→ Wet axle for off-road
→ Wet brake
→ Gearbox
→ Transmission case
→ Tranfer case
→ Clutch
→ Others
Manufacturing
Manufacturing
→ Manufacturing capacity
→ On site management
→ Craftsman style
Quality Assurance
Quality Assurance
→ System improvement
→ Precision testing
News
Market services
Market services
→ Customer communications
→ Download
Contact us
中文版
English
Русский язык
您好,您当前所在的位置:
首页
Product
JQ series winch gearbox
Product
High pressure gear pump
JX series winch gearbox
JH series swing gearbox
JQ series winch gearbox
JQTK series winch gearbox
Wet axle for off-road
Wet brake
Gearbox
Transmission case
Tranfer case
Clutch
Others
JQ series winch gearbox
prev
next
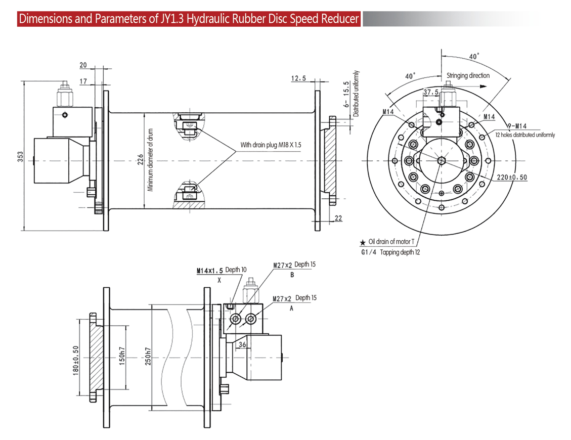
JY Series Hydraulic Rubber Disc Speed Reducer
[ JQ series winch gearbox ]
相关产品
JQ Series Lifting Speed Reducer
JY Series Hydraulic Rubber Disc Speed Reducer
产品详情
留言咨询
立即发送
【上一篇】JQ Series Lifting Speed Reducer
【下一篇】没有了!
九游官方端网站_九游jiuyou(中国)
|
九游娱乐
|
华体会官方网站
|
九游平台_九游(中国)一站式服务平台
|
leyu乐鱼(中国)官方网站
|
华体会官方版网站登录入口
|
ky体育·(中国)官方网站
|
华体hth登录入口_华体(中国)
|
九游电子·(中国)官方网站
|